Model Engine Company of America
2-4-2020

EDSON mounts offer unsurpassed quality.
MADE IN USA by MECOA from the finest aluminum and components.

Click here for general instructions

Available with 3 size jaws.
Click Size below for 3 view drawing


3 view of Extra Large for
.60 through 1.20

---------------
Order Number MM-XL


3 view of Large for
.40 through .80

---------------
Order Number MM-L

3 view of Small for
.15 through .40
---------------
Order Number MM-S

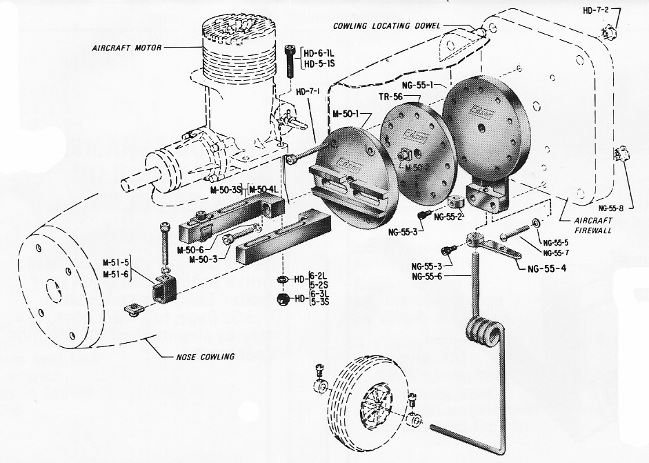
The Edson mount is designed to fit all model airplane engines from .15 cubic inches through 1.20 and maybe even larger.

You can even adjust jaws without removing mount from airplane by simply loosening the Allen lock screws from the front.

 


CLICK TO SEE HOW THE
ENTIRE SYSTEM WORKS


CLOSED TIGHT

WIDE OPEN

 



Socket head engine mounting hardware.

Set includes 4 socket head cap screws, 4 lock nuts & washers and 1 Allen wrench.



Socket head firewall mounting hardware.

Set includes 4 socket head cap screws, 4 blind nuts and 1 Allen wrench.

HD-7 with 6-32x1¼" screws
HD-8 with 8-32x1¼" screws

© Model Engine Corporation of America, All rights reserved.
MECOA is a Registered Trademark of Model Engine Corp. of America
Registered U.S. Patent Office

No part may be reproduced without written permission from
Model Engine Corporation of America

16015 Adelante St., Irwindale, CA 91702