|
|
|
01-04-2022
|
|
Yes
you can buy an American made four stroke and have the support
of a major American engine producer.
This way you're assured the highest quality parts and technical
support because you deal with the people that make'em.
Unique
Rotary Valve Four Cycle Design - More economical and as QUIET
as an electric.
Winner of fuel economy contests -- Up to 45 minutes on 6 oz
of fuel.
|
|
HP
VT.21 Four Stroke #99-2301 with Roller Bearing Valve
Support
|
|
|
|
HP
VT.21 Four Stroke #99-2302 Standard Head
|
|
|
|
|
|
VT.21 SPECIFICATIONS
|
| Displacement |
.21
cu.in. (3.5ccm)
|
| Bore
x Stroke |
0.654
x 0.63
|
| Power |
.35
hp
|
| RPM
Range |
2500
~ 15,000
|
| Weight |
9.5
oz
|
| Prop
Size |
8x5;
8x6; 9x5; 10x4
|
| Prop
Nut Thread |
1/4"
x28
|
|
|
VT.21 SPECIFICATIONS
|
| Piston/Cyl
Type |
Dykes
Ringed ABC
|
| Crankshaft
|
Hardened
supported by two ball bearings
|
| Valve
Type |
Hard
Chrome Rotary in bronze sleeve
|
| Valve
Train Drive |
Bevel
and spur gear via shaft
|
|
Carburetor
Type
|
Twin
Needle
|
|
Glow Plug |
K&B
1L 7311 Std Long
|
| See
note a bottom of page about glow plugs in VT engines |
|
ULTRA
QUIET!
HP's unique design of four strokes are the quietest
made. In fact, the VT.21 rivals an electric. Both engines
are equipped with suburb mufflers that easily meet all
DB requirements. |
EXACTING
TOLERANCES!
HP
engines have always been renowned for their unsurpassed
quality and precision. This tradition continues as all
HP four cycles are produced with the latest computer controlled
machines in our Southern California facility. |
SUPER
SMOOTH
HP has always been known as the smooth runners. The
one piece hardened steel crankshaft with a massive counter
weight is supported by 2 ball bearings. A light alloy
forged conrod and cast piston are balanced perfectly.
You'll be surprised just how smooth a engine can be. |
OVERHEAD
BBC rotary valve technology
Bronze, Brass, Chrome. HP pioneered rotary valves in model
engines and utilize a true hard chrome valve running in
a bronze sleeve. This arrangement never requires adjustment.
No valve float and or power robbing valve spring tension
to overcome. |
Optional
roller bearing supported valve Rather than the standard
bushing, you can purchase the bearing head version to
take the upward force of the valve during combustion.
Both engines provide the same power, however the bearing
head is less critical on the oil scavenging from the exhaust.
|
Precision
Crankshaft
Produced from solid bar stock with large counterbalance
and then fully heat treated, these crankshafts are then
precision ground to a tolerance of .0001 of an inch. This
is why HP engines are known as the smoothest runners. |
|
ABC
ringed piston & cylinder assembly
A high silicon piston fitted with ring runs in a
hard chrome plated brass sleeve precision ground to
.0001 of an inch on both the inside and outside diameters.
|
Forged
& bushed connecting rods
Each VT connecting rod is forged from high strength aircraft
grade aluminum alloy then precision machined and fitted
with bronze bushings at both ends |
High
pressure castings
All HP engines are pressure die cast from aluminum alloys.
These castings are made by forcing molten aluminum into
high strength tool steel dies at pressures as high as
3000 psi. |
Ball
Bearings
All VT's are equipped with double ball bearings on the
crankshaft. The front is sealed on both sides eliminating
blow by and rusting that is common in four cycle engines.
|
|
|
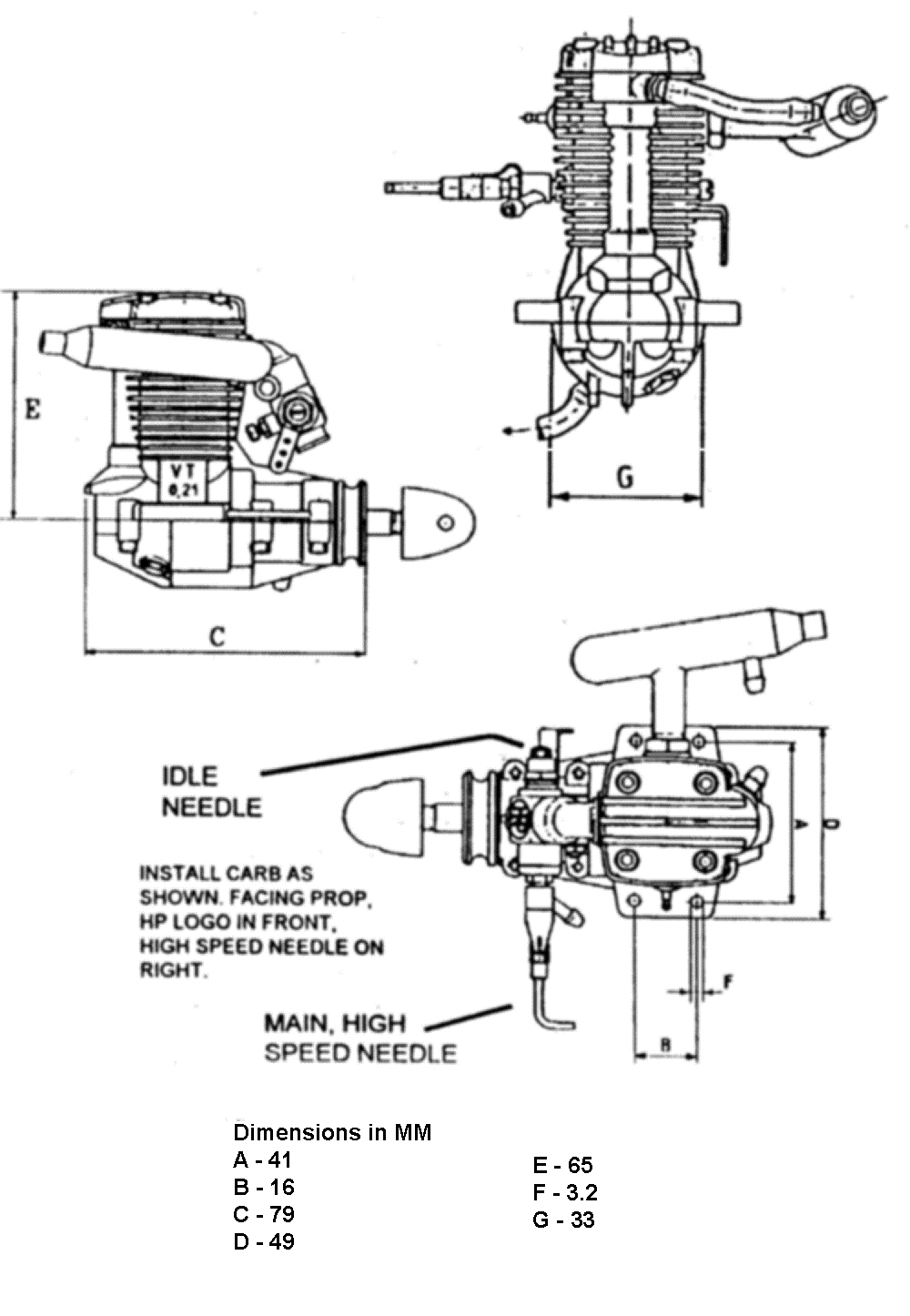
Click
image for
larger image
with dimensions |
|
IMPORTANT
NOTE: The K&B 7311 glow plug works perfect in HP VT four
stroke engines. Don't use R/C, 4 cycle, miracle, wonder or
any other plugs that have anything extending from the end.
These plugs can hit and destroy the rotary valve. Early VT.21's use a standard short plug like the K&B 1S 7321. You
can identify the early version by the rotating valve, early
used a bronze valve in a chromed sleeve, all later engines
used a chrome valve in a bronze sleeve.
|
|
|
| Click here
for Owners Guide |
|
|
|
Part Number
|
Description
|
Engine size
|
|
10-2301
|
Crankcase
with valve and tower gear |
VT.21 |
|
10-2302
|
Crankcase
with valve and tower gear |
FC.25 |
|
13-2301
|
Piston |
VT.21 |
|
13-2302
|
Piston |
FC.25 |
|
14-2301
|
Ring,
Dykes type |
VT.21 |
|
14-2302
|
Ring,
Dykes type |
FC.25 |
|
15-2301
|
Wrist
pin, w/pads |
VT.21 |
|
15-2302
|
Wrist
pin, w/pads |
FC.25 |
|
16-2301
|
Connecting
Rod |
HP
VT.21, FC.25 |
|
17-2301
|
Crankshaft |
HP
VT.21, FC.25 |
|
18-0018
|
Front
Bearing |
HP
VT.21, FC.25 |
|
18-0019
|
Rear
Bearing |
HP
VT.21, FC.25 |
|
18-0020
|
Front
Bearing |
HP
VT.21, FC.25 |
|
18-0022
|
Roller
Bearing |
HP
VT.21, FC.25 |
|
19-2001
|
Collect
for Prop Driver |
HP
VT.21, FC.25 |
|
20-2002
|
Prop
Driver |
HP
VT.21, FC.25 |
|
23-2001
|
Prop
Washer |
HP
VT.21, FC.25 |
|
24-1101
|
Prop
Nut |
HP
VT.21, FC.25 |
|
24-2331
|
Muffler
Nut |
HP
VT.21, FC.25 |
|
25-2301
|
Screw
Set |
HP
VT.21, FC.25 |
|
26-2301
|
Teflon
pads for wrist pin |
HP
VT.21, FC.25 |
|
28-2301
|
Draw
Bar to retain Carb (2 Req.) |
HP
VT.21, FC.25 |
|
29-2301
|
Gasket
for valve cover |
HP
VT.21, FC.25 |
|
30-2301
|
Muffler
with nut |
VT.21 |
|
30-2302
|
Muffler
with nut |
FC.25 |
|
40-2301
|
Bearing
head update kit |
VT.21 |
|
40-2302
|
Bearing
head update kit |
VTFC.25 |
|
40-2311
|
Bearing
head update kit |
VTFC.25
AUTO |
|
41-2301
|
Standard
Head cover |
VT.21 |
|
41-2302
|
Roller
Head cover |
VT.21 |
|
41-2303
|
Standard
Head cover |
VTFC.25 |
|
41-2304
|
Roller
Head cover |
VTFC.25 |
|
41-2305
|
Auto
heat sink cover Standard Head |
VT25 |
|
41-2306
|
Auto
heat sink cover Roller Head |
VT25 |
|
43-2301
|
Pinion
gear pin |
HP
VT.21, FC.25 |
|
44-2301
|
Lower
rear large bevel pinion gear |
HP
VT.21, FC.25 |
|
46-2301
|
Pinion
gear retaining strap |
HP
VT.21, FC.25 |
|
46-2302
|
Valve
shim set |
HP
VT.21, FC.25 |
|
46-2303
|
Con
rod shim |
HP
VT.21, FC.25 |
|
80-2301
|
Carburetor |
HP
VT.21 |
|
80-2302
|
Carburetor |
HP
VT FC.25 |
|
80-2311
|
Carburetor |
HP
VT FC.25 AUTO |
|
81-2301
|
Carb
body |
HP
VT.21, FC.25 |
|
81-2311
|
Carb
body |
HP
FC.25 auto |
|
82-2301
|
Carb
barrels |
HP
VT.21 |
|
82-2302
|
Carb
barrels |
HP
VT FC.25 |
|
83-2101
|
Throttle
arm |
HP
VT.21, FC.25 |
|
83-2301
|
Barrel
Spring |
HP
VT.21, FC.25 |
|
84-2102
|
Throttle
arm nut |
HP
VT.21, FC.25 |
|
84-2301
|
Barrel
cam screw/nut |
HP
VT.21, FC.25 |
|
84-2302
|
Spray
bar |
HP
VT.21, FC.25 |
|
85-2101
|
High
Speed Needle |
HP
VT.21, FC.25 |
|
85-2302
|
Low
Speed Needle |
HP
VT.21, FC.25 |
|
85-2312
|
Low
Speed Needle for car engine |
HP
FC.25 auto |
|
86-2301
|
Auto
carb insulator |
HP
FC.25 auto |
|
87-2301
|
Needle,
housing & nipple |
HP
VT.21, FC.25 |
|
88-2301
|
Carb
Manifold |
HP
VT.21, FC.25 |
| - |
VT
"T" pressure fitting |
- |
| - |
VT
Crankcase pressure nipple |
- |
| - |
VT
Crankcase Plug |
- |
|
|
|
|
|
|
|
|