11-04-2020
HP  VT.49 Four Stroke

This American made four stroke assures the highest quality parts and
technical support because you deal with the people that make'em.

The Most Unique Design of any Four Cycle Available Today!

Standard Head
Roller Bearing Head
VT .49 SPECIFICATIONS
Displacement
.49 cu.in (8ccm)
Bore x Stroke
0.898 x 0.772
Power
.75 hp
RPM Range
2500 ~ 13,000
Weight
17.3 oz
Prop Size
10x6 11x5 12x4
Prop Nut Thread
1/4" x28
VT .49 SPECIFICATIONS
Piston/Cyl Type
Conventional Ringed ABC
Crankshaft
Hardened supported by two ball bearings
Valve Type
Hard Chrome Rotary in bronze sleeve
Valve Train Drive
Bevel and spur gear via shaft
Carburetor Type
Twin Needle
Glow Plug
K&B 1L 7311 Std Long
See note a bottom of page about glow plugs in VT engines
ULTRA QUIET!
HP's unique design of four strokes are the quietest made. In fact, the VT 21 rivals an electric. Both engines are equipped with suburb mufflers that easily meet all DB requirements.
EXACTING TOLERANCES!
HP engines have always been renowned for their unsurpassed quality and precision. This tradition continues as all HP four cycles are produced with the latest computer controlled machines in our Southern California facility.
SUPER SMOOTH
!
HP has always been known as the smooth runners. The one piece hardened steel crankshaft with a massive counter weight is supported by 2 ball bearings. A light alloy forged conrod and cast piston are balanced perfectly. You'll be surprised just how smooth a engine can be.
OVERHEAD BBC rotary valve technology
Bronze, Brass, Chrome. HP pioneered rotary valves in model engines and utilize a true hard chrome valve running in a bronze sleeve. This arrangement never requires adjustment. No valve float and or power robbing valve spring tension to overcome.
Optional roller bearing supported valve Rather than the standard bushing, you can purchase the bearing head version to take the upward force of the valve during combustion. Both engines provide the same power, however the bearing head is less critical on the oil scavenging from the exhaust. Precision Crankshaft
Produced from solid bar stock with large counterbalance and then fully heat treated, these crankshafts are then precision ground to a tolerance of .0001 of an inch. This is why HP engines are known as the smoothest runners.

ABC ringed piston & cylinder assembly
A high silicon piston fitted with ring runs in a hard chrome plated brass sleeve precision ground to .0001 of an inch on both the inside and outside diameters.

Forged & bushed connecting rods
Each VT connecting rod is forged from high strength aircraft grade aluminum alloy then precision machined and fitted with bronze bushings at both ends
High pressure castings
All HP engines are pressure die cast from aluminum alloys. These castings are made by forcing molten aluminum into high strength tool steel dies at pressures as high as 3000 psi.
Ball Bearings
All VT's are equipped with double ball bearings on the crankshaft. The front is sealed on both sides eliminating blow by and rusting that is common in four cycle engines.
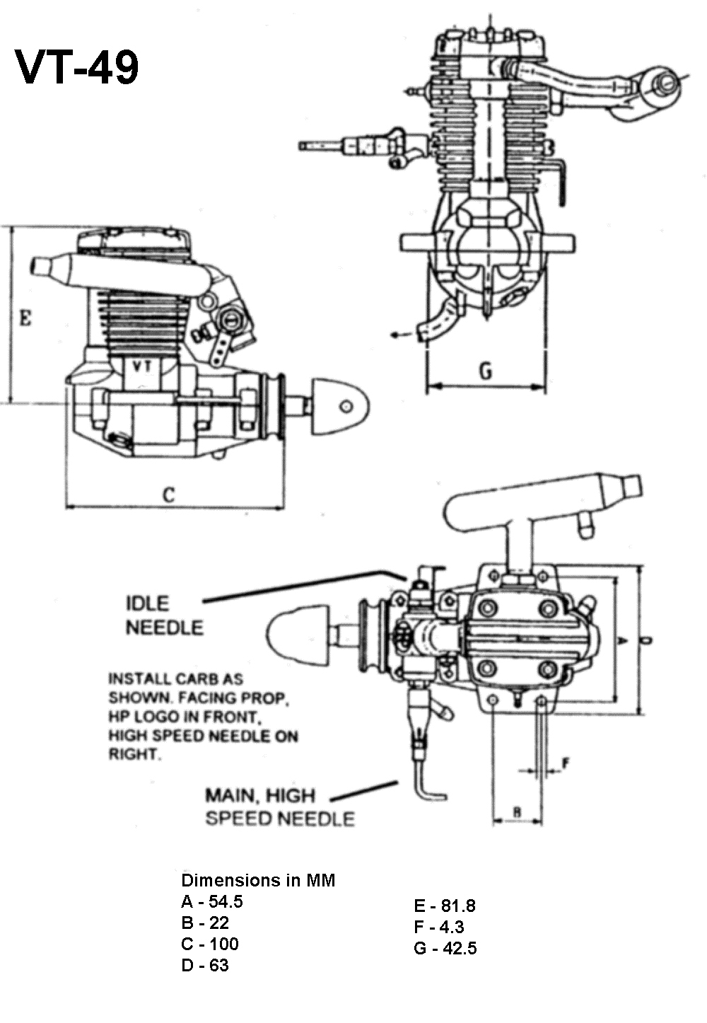
Click image for
larger image
with dimensions
IMPORTANT NOTE: The K&B 7311 glow plug works perfect in HP VT four stroke engines. Don't use R/C, 4 cycle, miracle, wonder or any other plugs that have anything extending from the end. These plugs can hit and destroy the rotary valve. Early VT 21's use a standard short plug like the K&B 1S 7321. You can identify the early version by the rotating valve, early used a bronze valve in a chromed sleeve, all later engines used a chrome valve in a bronze sleeve.